$2.91
Buckle made of painted carbon steel, for tapes with a maximum width of 28 mm
Available on backorder
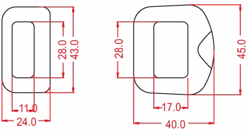
Material – Carbon Steel Dimensions – A. 40mm B. 45mm
Kong®
Your cart is currently empty!
Notifications